両面研磨品在庫あり!〔10x10x0.5t mm(C-面、A-面、M-面), 15x15x0.5t mm(C-面)〕

材質 : 高純度単結晶 ZnO
成長法 : 水熱合成法(ZnO)

10x10mmの場合、次表の通り。
単位:mm
| A | B | T | Cx45° | Px45° |
| 10 | 10 | 0.5 | 2.8-0.8 | 1.5-0.8 |
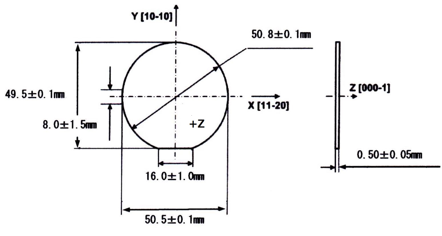
②2インチ基板


c面(0001)±0.25°: Zn(0001), O(000-1)
a面(11-20)±0.25°
m面(1-100)±0.25°

高純度単結晶 ZnO 99.99%
c面 O面 : エピ研磨、Zn面: 鏡面研磨
a面 両面鏡面研磨
m面 両面鏡面研磨
TTV: ≦1nm
10x10x0.5t mm
15x15x0.5t mm
φ50.8 x0.5t mm ← 新規取扱!!
単結晶ZnO分析値(ICP-OES)
| ZnO | 不純物含有量(ppm) | |||||||
|---|---|---|---|---|---|---|---|---|
| Ca | Mg | Fe | Ni | Cu | Mn | Cr | Co | |
| 99.99% | 1.83 | 4.69 | 0.61 | 0.92 | 0.007 | 0.15 | <0.01 | <0.02 |
| Ag | Ti | Al | Li | Mo | V | Na | K | |
| <0.02 | 0.049 | 0.67 | 1.1 | <0.02 | <0.01 | 6.53 | 6.19 | |
GaNとの格子ミスマッチ:1.9%
a ZnO=3.295A c ZnO=5.2059A
a GaN=3.1888A c GaN=5.186A

単結晶ZnO物性表
|
物質名 |
酸化亜鉛 |
|
化学組成 |
ZnO |
|
純度 |
99.99% |
|
結晶構造 |
六方晶系ウルツ構造 |
|
育成方法 |
水熱合成法 |
|
結晶成長方向 |
0001 |
|
融点 |
1975℃ |
|
密度 |
5.66 g/cm3 |
|
モース硬度 |
4 |
|
バンドキャップエネルギー |
3.37eV |
|
抵抗率 |
1,000~10,000Ωcm |
|
圧電定数(x1012q/N) |
d=-13.9k33=0.408 d=-5.2k31=0.189 d= 10.6k15=0.282 |
|
比誘電率 |
8.5 |
|
熱膨張係数 |
2.9 x 10-6 K- |
|
熱伝導率、 |
2.5W/m/K |
|
透過率 |
400nm~600nmで>50% |
|
屈折率 |
no=2.0681 ne=2.0510 |




